0532-81920028(多线)
电参数测量 SINCE 1988一、面板介绍
前面板介绍

后面板介绍

二、主要性能及技术指标
| 选型(说明见后面注释) | VT600-X-3.5kv | VT600-X-7kv | VT600-X-10.5kv | |
|---|---|---|---|---|
| 输入电压 (线对地) 注:括号内电压为线间电压 | 额定Utrms(Sine) | 2kV(3.5kV) | 4kV(7kV) | 6kV(10.5kV) |
| 最大Utrms | 2.4kV(4.2kV) | 4.8kV(8.4kV) | 7.2kV(12.6kV) | |
| 最大峰值电压Upeak | 3 kv(5kV) | 6 kv(10kV) | 9 kv(15kV) | |
| 输入阻抗 | 10MΩ | 20MΩ | 30MΩ | |
| 分压变比 | 1/1000 | 1/2000 | 1/3000 | |
| 输出负载 | min. 100kΩ; max. 200pF | |||
| 测量精度 | 幅度精度 | |||
| DC | ±量程的 0.2% | |||
| 0.05Hz-45Hz | ±量程的 0.2% | |||
| 45Hz-65Hz | ±量程的 0.1% | |||
| 65Hz-2.5kHz | ±量程的 0.2% | |||
| 2.5 kHz-10kHz | ±量程的 0.5% | |||
| 10kHz-100kHz | ±量程的 2% | |||
| 其他 | 测量电压输入 | 每通道标配高压输入引线3米, 用户自行完成与被测线缆的连接,接地孔为公共参考端 | ||
| 信号输出 | 每通道一个BNC座 | |||
| 温度范围 | 5-40°C | |||
| 供电 | 85-265V; 45-65Hz | |||
| 外形尺寸 (L×W×H) | 402mm x 225mm x 149mm | |||
注:选型中X代表通道数量,有(1、2、3)三种选型,分别表示1个通道、2个通道、3个通道
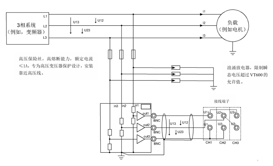
三、接线图

VT600的高压输入侧in1,in2,in3分别连接被测端的L1, L2,L3。所有被测电压具有相同的参考电位(大地)。 VT600可以测量隔离(非接地)电压。因为VT600的接地可以把它们影射成对地电压。 VT600的低压二次侧输出端out1,out2,out3可以连接到高精度功率分析仪。
接线端子处连线并不唯一,根据不同仪器有不同的接线方式(图示为8962A1在3V3A时的接线图,其它型号仪表接线详情请看具体仪表说明书接线图章节)
四、尺寸规格
单位为毫米(mm)
